










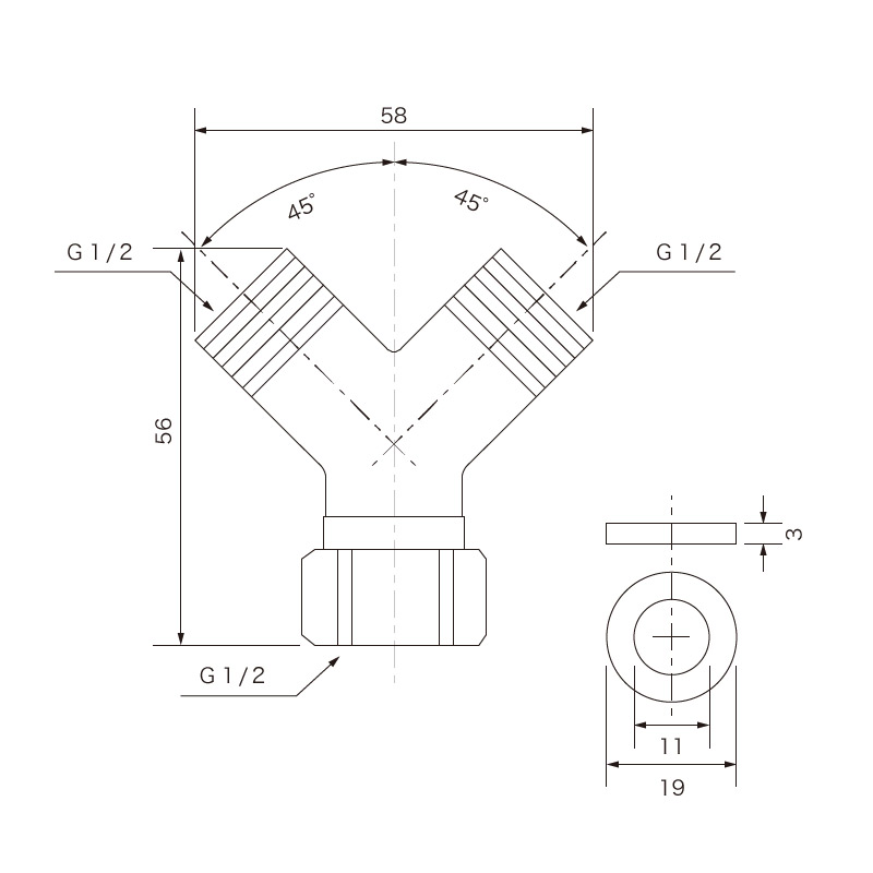
『水道用 二股分岐Y字ソケット』 は、止水栓や蛇口、または水道配管などの一つの水の出口に取り付けて2方向に分岐する継ぎ手金具です。工夫や組合せ次第では様々な用途に使用でき、使い方は無限大です。
「デザインが気に入って買った蛇口は混合栓。だけど、お湯は必要ないので水だけで使用したい。」
そんなケースでよくご相談を受けます。 例えば、トイレの手洗いや玄関の手洗いなどです。
そういったケースで混合栓を単水栓として使用するには幾つか方法があります。
昔から水道屋さんが行ってきた方法は、混合水栓のお湯側の入水口にキャップ(またはプラグ)を取り付け、お湯側の流路を塞いで水側だけで使用する方法です。
この方法の場合、蛇口のお湯側ハンドルを開いたときには何も出ないというのが特徴で、使用者は少し戸惑いますが、一応単水栓として使用できます。しかし、この方法で使用を続けていると、何故か蛇口(混合栓)の不具合が起きたり寿命が短くなったりする事例を何度も見てきました。
これは、混合栓の内部でお湯側経路に逆流した水が長年の間停滞してしまう為、お湯側の滞留水の汚染、パッキンの劣化、水側とお湯側の環境(気圧や水圧、流水量)の違い等が原因かと推測されます。
そこで、これらを解決するために当店が推奨する方法は本製品のような 『水道用 二股分岐Y字ソケット』 等を使って、混合水栓の水側・お湯側両方に水を接続する方法です。
こうすることで、蛇口(混合栓)のハンドル(レバー)の水側・お湯側どちらを開栓しても水が出る仕様となり、すなわち単水栓として使用可能となります。
これで蛇口の使用感が良くなり、不具合も減り蛇口の寿命が長くなることに繋がります。
一つの蛇口や止水栓から、2方向に分岐する二又ソケットしても使用できます。
例えば、一つの止水栓から食洗機と浄水器の2ヶ所へ分岐して配管接続したり。お庭のガーデン蛇口から二つのホースへの分岐。 また、一つのガーデン水栓から、一方はスプリンクラーへ、もう片方は手持ちのハンドスプレーなどへ分岐。工夫次第では、使い方は無限大です。
取り付けに関する条件は一つ、「取付口が “G1/2 オスねじ”であること。」 だけです。
最大45%OFF
人気ブランド洗面ボウルと蛇口のセットが超お得!
投稿はありません