個性派水回りショップパパサラダ

業界NO1の実績

  • ご利用ガイド
  • お問い合わせフォーム
  • よくある質問
  • カート

最大45%
割引!厳選人気ブランド洗面ボウルと蛇口のセットが超特価

【Essence】横穴付Pトラップ32(ブラス) EP17179

価格: 17,300 
19,030 (税込)
床・壁面の塩ビ管と排水トラップ管をつなぐための排水アダプターです。隙間をなくすことで漏水やグラつきを抑え、下水の臭気や虫の侵入を防ぐための部材です。
EP17179
+

商品説明

横穴付Pトラップ32(ブラス)

真鍮素材そのままを生かしたエイジング加工の排水金具

φ32mm規格の排水金具です。
表面は真鍮無垢で、メッキや表面加工が施されていません。
歳月によって自然に変色し、アンティークな風合いを楽しむことが出来ます。

ブラス(ゴールド)色の水栓金具等と組み合わせてお楽しみ下さい。

横穴付Pトラップ32 解説

  • オーバーフロー付き洗面器用の32mm規格排水金具
  • 上部の排水口金具(ドレンユニット)と床用の排水トラップ管がセットになった商品です。
  • 壁排水対応(排水の方向をご確認ください)
  • オーバーフロー付きの洗面器用
  • φ32ミリ規格横穴付きの排水金具です。
  • 年月とともに経年変色します。素材の風合いと変化をお楽しみください。
  • 排水金具の選び方やオーバーフロー等の解説ページはこちらから

取付条件

※下記条件を満たしていても使用できない特殊なケースもあります。

  • 排水管が壁の所定位置にある事(壁配管)
  • 洗面器にオーバーフロー(アフレ)がある事
  • 洗面器の排水穴がφ40~47.5ミリである事(メーカー推奨)
  • 水栓金具がポップアップ式ではない事

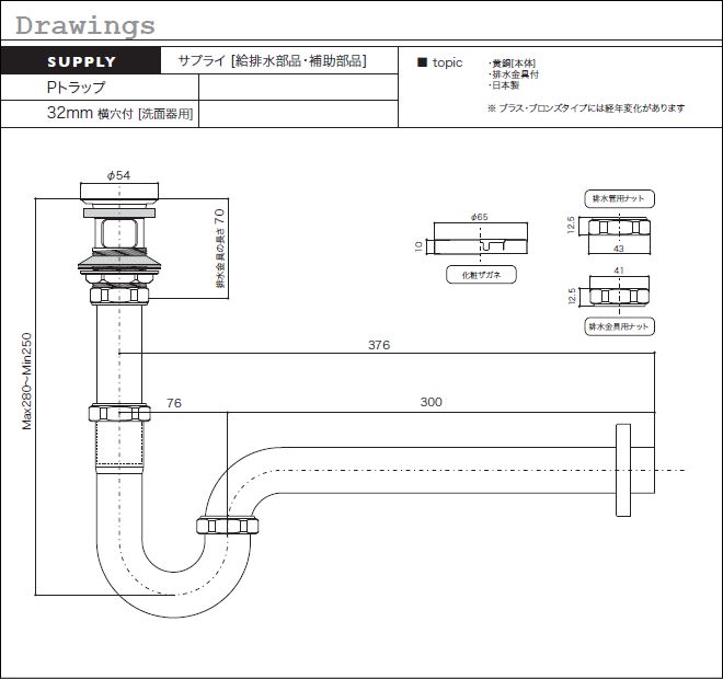
承認図

承認図

バリエーション

PICK UP! カテゴリー

レビュー

投稿はありません

レビューを書く

この商品を見た人はこんな商品も見ています