











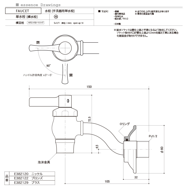
イブキクラフトの可愛い蛇口「豆栓」シリーズがリニューアル!従来のくるくる回すスピンドル式から、90度開閉式のセラミックカートリッジに変更になり、水切れがよく耐久性も向上しました。
可愛いらしくコンパクトな単水栓のスタイルはそのままに、空間を無駄なく使えるカウンター上置きタイプの手洗器に使用できる省スペース向けの壁付けタイプの横水栓です。ハンドルの位置が手洗器の真上にくるので、濡れた手で蛇口のハンドルを触ってもカウンターを濡らしません。

| 用途・種別 | 手洗い用壁付単水栓 (水のみ または お湯のみ に使用する水栓) |
|---|---|
| 吐水位置 | L88(mm) |
| 材質 | 黄銅 |
| 色/表面仕上げ | ブロンズ(めっき) ※銅メッキの上に特殊なステイン(汚し加工)を施したものです。経年変色します。硬いものによる衝撃や研磨に弱いので特にご注意ください。 |
| 給水規格 | PJ1/2 |
| ハンドル構造 | 90度開閉式クォーターハンドル(セラミックバルブ内蔵) |
| スパウト | 固定式(回転しません)/泡沫吐水 |
| 注意事項 |
|
| 認証登録 | JIS規格認定品 |
| セット内容 | 水栓本体 |
| メーカー | イブキクラフト / エッセンス(ESSENCE) |

2000年に当時雑貨メーカーであったイブキクラフトがスタートさせた建築意匠部品のブランドです。
「暮らしは楽しくあればいい」というモノづくり思考から生まれました。
「エッセンス(イブキクラフト)」の手掛ける蛇口や水栓は、西洋風デザインでありながら、どこかレトロでノスタルジックな上質でさり気ないセンスの良さが魅力です。
その可愛い雑貨のような雰囲気は多くのファンを魅了しています。
また、商品によってテイストや路線を変え、カントリー風、北欧風、和モダンと、どれも抜群のお洒落センスと絶妙なサイズ感により、様々な年齢層から支持を得ています。
『こんなお洒落な単水栓を探していました! こんな可愛い水栓金具が欲しかったの!』
お客様からのそんなお声をいただきながら、はや15年、当店は毎日元気に販売しています!
対象商品は全品10%OFF
当店人気ブランドの洗面ボウルや蛇口の期間限定SALE!