










ポーランドの人工大理石メーカー「marmorin」製の埋込み洗面器です。
なめらかな形状が上品でお洒落な洗面ボウルです。
5色のカラーバリエーション展開
marmorin(マルモリン)の突出したデザイン力と研ぎ澄まされた色彩感覚、優れた成型技術はヨーロッパでも高い評価を受けています。
当店では洗面ボールと手洗器の定義を下記の基準によって選別しています。
| カラー | ゴールデンオレンジ |
|---|---|
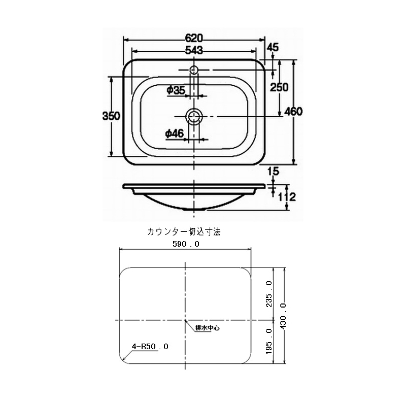
| サイズ | W620×D460×H112mm |
| 材質 | 人工大理石 |
| オーバーフロー | なし |
| 排水口穴径 | 46mm |
| 対応排水金具 |
|
| 水栓取付穴径 | 35mm |
| 対応水栓金具 | ワンホールタイプの混合栓が適合します。 (φ25mm対応の単水栓を取付ける場合は「変換パッキン」が必要です) |
| カウンター切込寸法 | W590×D430mm(角R50) ※詳細は承認図をご確認ください。 |
| セット内容 | 洗面器本体 (水栓金具・排水金具等は付属していません) |
| 用途・種別 | 洗面用 水栓直付けタイプの埋込み洗面器 |
| 製品情報等 | 商品の特性や閲覧環境の違いなどによって、写真と実際の商品とでは若干異なる場合があります。 |
【洗面ボウル・手洗い器の公差について】
洗面器や手洗器は製品の性質上、1%~2%程度の公差が生じる場合があり、若干の個体差があります。
※ 公差とは、製造過程で生じる仕上がり寸法のばらつきで、許容される誤差の範囲を表すのが公差です。
※ 洗面器や手洗器に関していえば、製造時の気温や湿度、焼き上げる温度などが公差に影響します。
対象商品は全品10%OFF
当店人気ブランドの洗面ボウルや蛇口の期間限定SALE!
投稿はありません