










「スパニッシュ・キャッスル」シリーズにClassic Leverを搭載したCLバージョン。大容量の洗面ボウルをフルに活用出来る360°旋回式・170mmロングスパウトが最大の特徴です。内部には世界トップクラスの技術力を誇る日本製(MARUWA社)のセラミックバルブを搭載、進化するネオ・アンティーク水栓の代表とも言えるマチルダの最高級シリーズです。レバーハンドルは指1本でも楽に操作できる90°開閉式。その適度な手応えとスムーズな感触は、いつまでもあなたの手に残るでしょう。
表面仕上げは、真鍮の無垢素材にニッケルめっきを施し、その表面をヘアライン調につや消し加工したスタイリッシュでモダンな仕上げです。 尚、この表面処理は比較的強靭でキズも目立ちませんが、金タワシや磨き粉などのご使用はお避けください。
Matilda(マチルダ)は、日本初の本格ヨーロピアン・アンティーク・デザインの水栓ブランドです。マチルダ水栓の特長や魅力を詳しくご紹介していますので、ぜひご覧ください。
| 水栓種別 | 混合栓(水とお湯が両方使える水栓) |
|---|---|
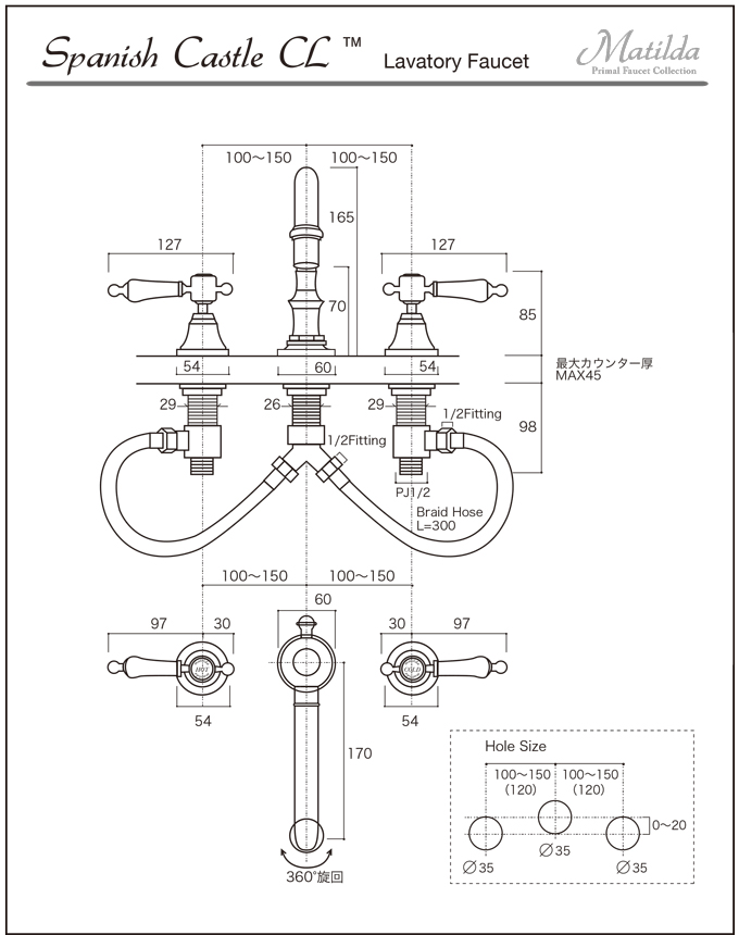
| 吐水位置 | L170×H70(mm) |
| 材質 | [水栓] 真鍮(黄銅) [ハンドル・サイン] 陶器 |
| 色/表面仕上げ | ブラッシュド・ニッケル(BN) 真鍮の無垢表面にニッケルめっきを施し、ブラシで磨いたようなマットなステンレス調の仕上げです。 |
| 給水規格 | PJ1/2 |
| 水栓取付穴径 | 3ホールφ35mm×3ヶ所 |
| スパウト | 360度回転式 |
| ハンドル構造 | 90度開閉式クォーターハンドル(日本 MARUWA社製セラミックバルブ内蔵) |
| 用途・種別 | 洗面所/8インチ台付き混合栓 |
| 地域仕様 | 寒冷地・一般地共通仕様 ※水抜き可。凍結の恐れがある場合は必ず水抜きを行ってください。 |
| 注意事項 | 混合栓ですので、給水ホースおよび止水栓は水用・お湯用で2本ずつ必要です。 大型サイズのため、独立型洗面ボウルと組合わせてのご使用を推奨します。 |
| 認証登録 | 自己認証(必要な場合はご購入後に自己認証書を発行いたします。※FAX送付限定) |
| 保証期間 | 1年間 ※付属保証書の定めるところとなります。(排水金具は保証対象外です) |
| 承認図 | スパニッシュ・キャッスルCL 承認図 ダウンロード(PDF) |
| セット内容 | 水栓本体、パッキン、取付ナット、取扱説明書(保証書付)、上部排水金具 |
| メーカー | Matilda/マチルダ(日本) |
【上部排水金具に関して】
水栓と同色の「横穴付き」排水金具が標準で付属します。「横穴無し」がご希望の場合は、ご注文時の備考欄に明記して下さい。(変更無料)
洗面ボウルや手洗器には「オーバーフロー」と呼ばれる水を逃がす穴があるものと無いものがあります。洗面ボウルのオーバーフローの有無や排水穴の大きさによって、使用する排水金具が異なります。詳しくは下記リンクよりご参照ください。
オーバーフローについての解説(25ミリ規格と32ミリ規格)はこちら
【バルブの取り外しマニュアル】
施工時のゴミ詰まりや経年使用による内部部品の劣化など、急なトラブルで水栓内部を洗浄したり、バルブを交換する必要がある場合にセラミック・バルブを取り外す手順をまとめたマニュアルです。バルブの取り外しが必要な場合にご参照ください。

天板、給水部材、トラップ管などは付属しません。
対象商品は全品10%OFF
当店人気ブランドの洗面ボウルや蛇口の期間限定SALE!
投稿はありません