










同シリーズの"BellTower"を埋め込みタイプのボールに対応させ、背を低くしたのが"ベルフリー/Bellfree"です。シンプルで機能性重視のシングルレバーとクラシカルデザインの融合、これこそが今回のテーマでした。
表面仕上げは無垢の真鍮に磨き仕上げを行い、下地にメッキの密着性を高めるストライクメッキを施した変色しにくく耐久性に優れています。わずかに黄味を帯びたプラチナのような美しい光沢仕上げで、上品な高級感をもたらします。
Matilda(マチルダ)は、日本初の本格ヨーロピアン・アンティーク・デザインの水栓ブランドです。マチルダ水栓の特長や魅力を詳しくご紹介していますので、ぜひご覧ください。
| 水栓種別 | 混合栓(水とお湯が両方使える水栓) |
|---|---|
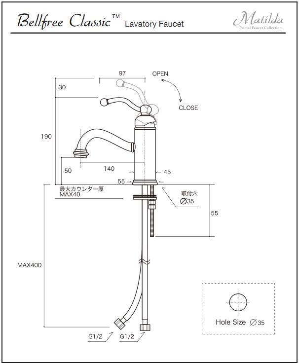
| 吐水位置 | L140×H50(mm) |
| 材質 | [水栓] 真鍮(黄銅) |
| 色/表面仕上げ | ポリッシュド・ニッケル(PN) 真鍮の無垢表面にポリッシュドニッケルめっきを施した変色しにくく耐久性に優れた仕上げです。 |
| 給水規格 | G1/2 |
| 水栓取付穴径 | ワンホールφ35mm×1ヶ所 |
| スパウト | 固定式 |
| 吐水部 | 泡沫仕様(スイス ネオパール社製エアレーター内蔵) |
| ハンドル構造 | シングルレバー(セラミックカートリッジ内蔵) |
| 用途・種別 | 洗面所・手洗い/台付き混合栓 |
| 地域仕様 | 寒冷地・一般地共通仕様 ※水抜き可。凍結の恐れがある場合は必ず水抜きを行ってください。 |
| 注意事項 | 混合栓ですので、止水栓は水用・お湯用で2本必要です。 |
| 補足 | 接続アダプタ 「片ナットフレキチーズ」 (別売)を使えば 「単水栓」 として使用することもできます。 |
| 認証登録 | 自己認証(必要な場合はご購入後に自己認証書を発行いたします。※FAX送付限定) |
| 保証期間 | 1年間 ※付属保証書の定めるところとなります。(排水金具は保証対象外です) |
| 承認図 | ベルフリー・クラシック 承認図 ダウンロード(PDF) |
| セット内容 | 水栓本体、パッキン、取付ナット、給水ホース×2(接続済)、取扱説明書(保証書付) |
| メーカー | Matilda/マチルダ(日本) |
【上部排水金具に関して】
水栓と同色の「横穴付き」排水金具が標準で付属します。「横穴無し」がご希望の場合は、ご注文時の備考欄に明記して下さい。(変更無料)
洗面ボウルや手洗器には「オーバーフロー」と呼ばれる水を逃がす穴があるものと無いものがあります。洗面ボウルのオーバーフローの有無や排水穴の大きさによって、使用する排水金具が異なります。詳しくは下記リンクよりご参照ください。
オーバーフローについての解説(25ミリ規格と32ミリ規格)はこちら
【カートリッジの取り外しマニュアル】
施工時のゴミ詰まりや経年使用による内部部品の劣化など、急なトラブルで水栓内部を洗浄したり、カートリッジを交換する必要がある場合にカートリッジを取り外す手順をまとめたマニュアルです。カートリッジの取り外しが必要な場合にご参照ください。
対象商品は全品10%OFF
当店人気ブランドの洗面ボウルや蛇口の期間限定SALE!
投稿はありません